• Описание
  • Характеристики
  • Файлы4
  • Отзывы0
0%
Насосная станция LEO MAC 450 — фото товара
Leo
Код товара: 48634
Пока нет отзывов

Насосная станция с частотным регулированием для поддержания постоянного давления в системе водоснабжения LEO MAC 450.


  • Электродвигатель на постоянных магнитах.
  • Потребляемая мощность 450 Вт. 
  • Максимальный напор 40 метров водяного столба.
  • Максимальная производительность 75 л/мин.
Бренд
Описание
Насосная станция LEO MAC 450

Насоная станция для систем водоснабжения с частотным преобразователем  и электродвигателем на постоянных магнитах. Насос укомплектован гидроаккумулятором, датчиками давления и частотным преобразователем. Благодаря наличию инвертора станция поддерживает постоянное давление в системе водоснабжения. Насос идеально подходит для водоснабжения небольших частных домовладений и квартир.


harakteristiki_MAC_450.jpg
Гидравлические характеристики насосной станции MAC 450





Схема насоса LEO MAC 450

  1. Корпус насосной камеры (технополимер)
  2. Трубка Вентури
  3.  Диффузор
  4. Рабочее колесо
  5. Уплотнение механическое
  6. Отражатель
  7. Передняя крышка электродвигателя
  8. Гидроаккумулятор
  9. Статор (в сборе)
  10. Ротор
  11. Задняя крышка электродвигателя
  12. Корпус станции

LEO_MAC_Detalirovca.png


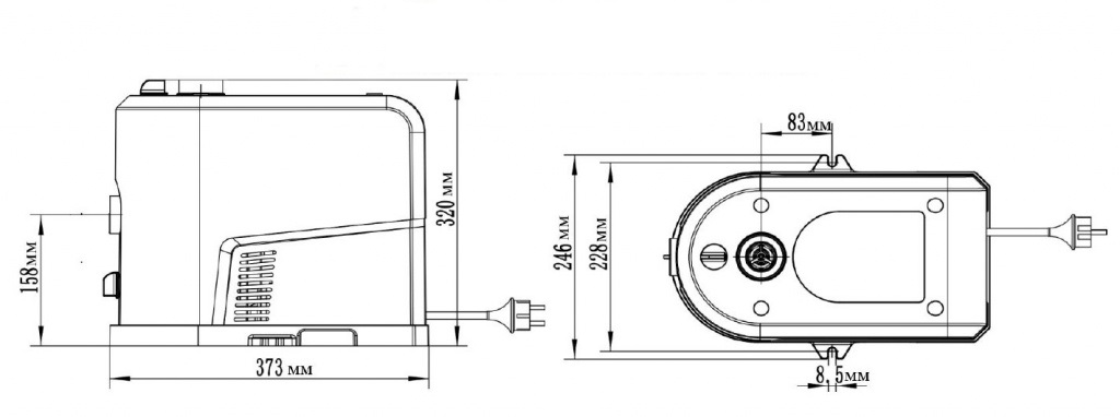
Size.jpg
Установочные размеры Насосной станции LEO MAC 450

Характеристики
Артикул
10299
Бренд
Мощность, кВт
0.45
Мощность, Вт
450
Максимальный расход, м³/ч
4.5
Максимальный напор, м
45
Материал вращающихся деталей
технополимер
Допустимый диаметр твердых частиц, мм
0,2 мм
Электропитание, в
1 x 230
Тип оборудования
Насосная станция
Серия
самовсасывающие
Макс. температура жидкости, (°С)
60
Номинальный напор, м
25
Управление
Частотное регулирование
Производительность, м³/ч
4.5
Присоединительный размер, дюйм
1"
Класс электрозащиты
IPХ4
Максимальная производительность (л/мин)
75
Максимальная высота всасывания (м)
8
Номинальная производительность м³/ч
2.3
Насосная станция LEO MAC 450
27 332 руб. /шт
В наличии мало
- +
шт
Определяем...
Отзывы
Хотите оставить отзыв?Поставьте свою оценку!
Сделайте выбор!